Published:2009/7/14 7:48:00 Author:May | From:SeekIC


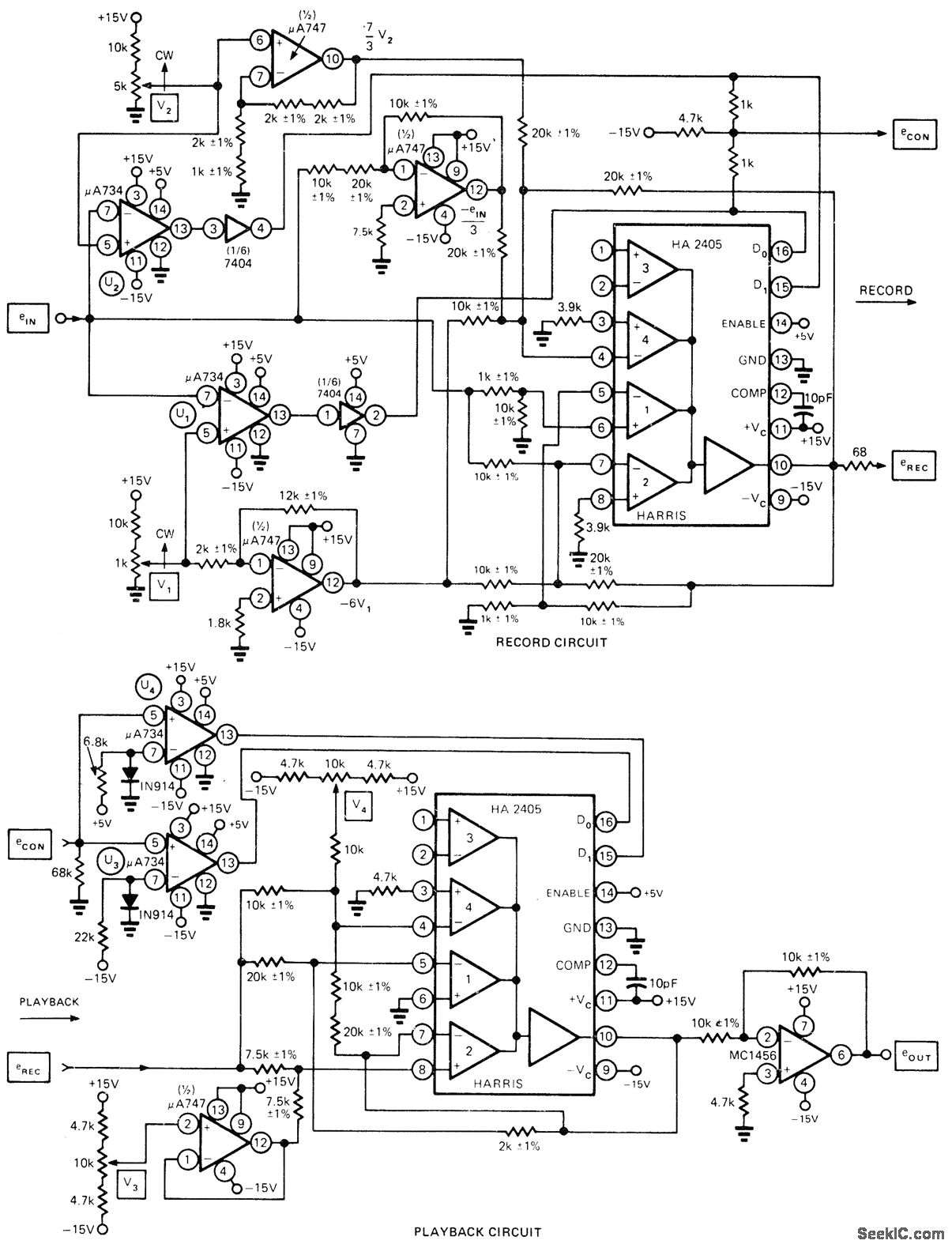
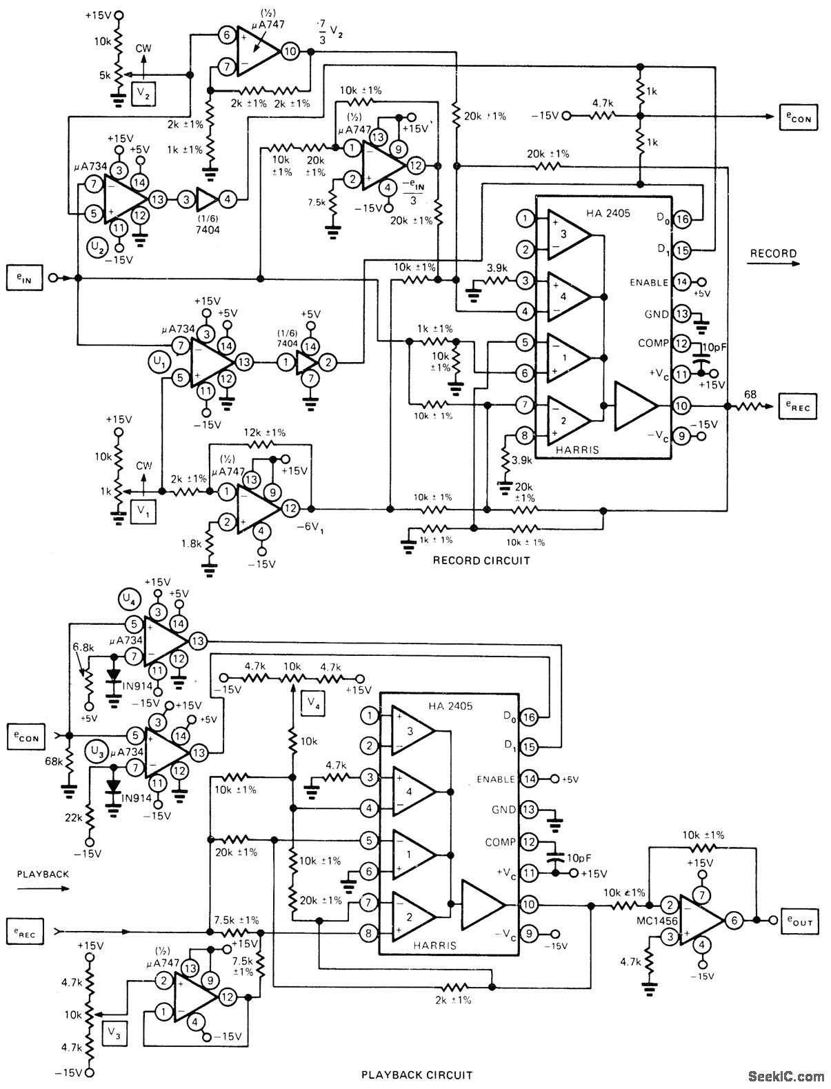
Instrumentation tape recorder technique folds recorded signal over and reuses same VCO range three times, at three different gains, for increasing dynamic recording range to over 10,000. Two comparators select one of three amplifier gains according to level of input signal and record selected gain on separate control track. During playback, control track signal eCON is used to select corresponding inverse gain for unfolding recorded signal. Level of input signal eIN, in range of 0-10 V, is sensed by comparators whose preset thresholds are determined by pots V1 and V2. If input is less than V1, both comparator outputs are low and section 1 of HA2405 four-channel opamp is selected for recording at 10 times input. If input is greater than V1 and less than V2, section 2 having gain of -2 is selected so direction of eREC is reversed. If eIN is greater than V2, both comparators are high and section 4 is selected for gain of +1/3, so eREC again reverses to cross VCO range for third time. Outputs of comparators are summed to form three-level signal for recording on control track.-J. R. White, Comparator Technique Expands Tape Recorder's Range, EDN Magazine, April 5, 1975, p 111, 113, and 115.
Reprinted Url Of This Article:
http://www.seekic.com/circuit_diagram/Basic_Circuit/AUTOMATIC_RANGE_EXPANSIO_IV.html
Print this Page | Comments | Reading(3)
Code: