Published:2009/7/14 3:52:00 Author:May | From:SeekIC


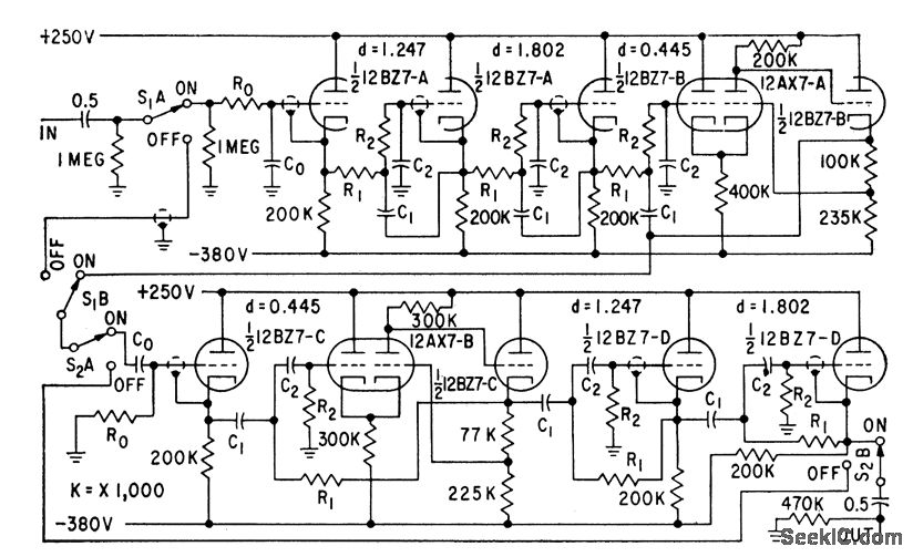
Provides varying threshold control voltage that causes detection threshold of celestial guidance system to operate at level slightly above background noise. After clipping by amplifier, signal enters threshold-shaping unit that operates as fastrise, slow-fall agc.- R. L. Lillestrand, J. E. Carroll, and J. S. Newcomb, Automatic Celestial Guidance, Part 2: New Challenge to Designers' Ingenuity, Electronics, 39:7, p 94-105.
Reprinted Url Of This Article:
http://www.seekic.com/circuit_diagram/Basic_Circuit/AUTOMATIC_THRESHOLD_CONTROL_REJECTS_NOISE.html
Print this Page | Comments | Reading(3)
Code: