Published:2009/7/5 22:14:00 Author:May | From:SeekIC

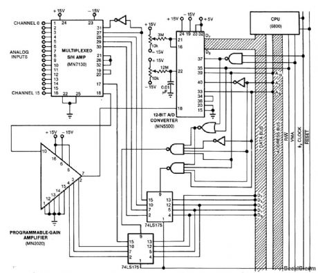
Circuit accepts up to 16 channels of analog information and provides full-scale input ranges from ± 78 mV to ± 10 V when used with 6800 CPU. Resolution is 0.01%. MN7130 multiplexed sample-and-hold amplifier includes eight full differential multiplexers for 16 channels and instrumentation opamp. MN2020 programmablegain amplifier provides choice of eight gains ranging from 1 to 128 in binary progression. Autoranging operation of data acquisition system allows channel-sampling plans that depend on random events. With known input signallevels, required gain information can be stored in microprocessor memory for use in place of autoranging,-R. Duris and J. Munn, PGA's Give Your DAS Designs Autoranging, Wide Dynamic Range, EDN Magazine, Sept. 5, 1978, p 137-141.
Reprinted Url Of This Article:
http://www.seekic.com/circuit_diagram/Basic_Circuit/AUTORANGING_FOR_DATA_ACQUISITION.html
Print this Page | Comments | Reading(3)
Code: