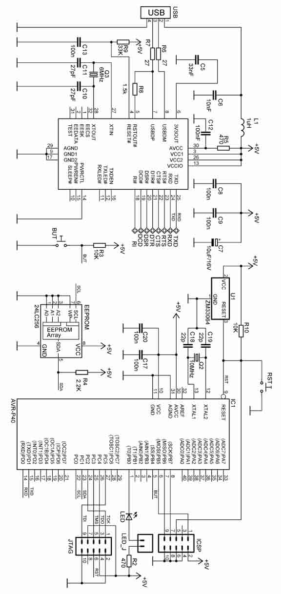
Published:2012/9/11 20:52:00 Author:Ecco | Keyword: AVR-P40-USB-8535 BOARD | From:SeekIC

There are two ways to program AVR-P40-USB: with ICSP port and with JTAG port. To program via ICSP port you need serial port or parallel port AVR-ICSP programmer dongle (Olimex part # AVR-PG1B or AVR-PG2B). The serial port ICSP programmer (AVR-PG1B) works with PonyProg software by from Claudio Lanconelli and the latest release may be download for free from lancos.com The parallel port ICSP programmer (AVRPG2B) works with AVR ISP from Atmel and may be download for free from Atmels web site.
Reprinted Url Of This Article:
http://www.seekic.com/circuit_diagram/Basic_Circuit/AVR_P40_USB_8535_BOARD_FOR_AT90S8535.html
Print this Page | Comments | Reading(3)
Code: