© 2008-2012 SeekIC.com Corp.All Rights Reserved.
Published:2011/6/24 7:05:00 Author:Christina | Keyword: fan, single chip, microcomputer, integrated circuits | From:SeekIC


The AX5206T1 is designed as one kind of fan single chip microcomputer integrated circuit which is produced in TaiWan, it can be used in various kinds of fan program control circuits.
1.Pin functions
The AX5206T1 can be used with the single SCR, the AX5206T3 can be used with three SCRs, the pin functions of the AX5206T1 are as shown in figure 1.
Figure 1 The pin functions of the AX5206T1
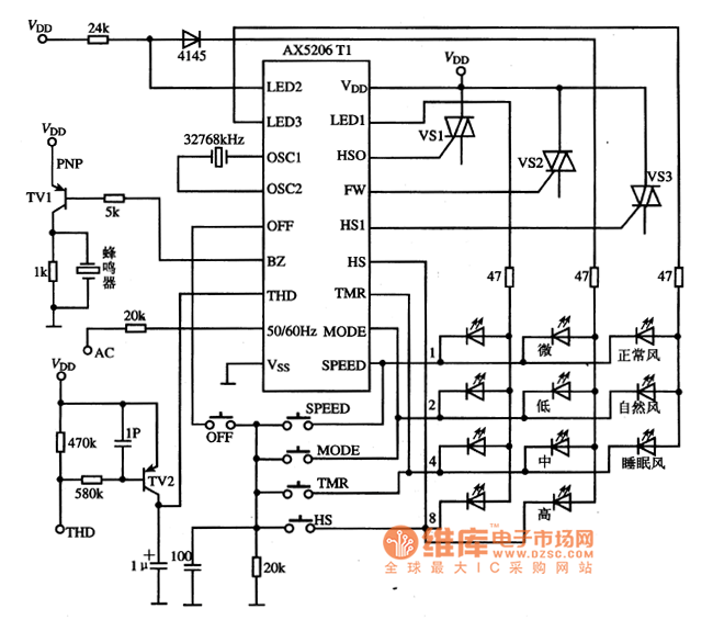
2.Typical application circuit
The fan program control typical application circuit which is composed of the AX5206T1 is as shown in figure 2.
Figure 2 The typical application circuit of the AX5206T1
Reprinted Url Of This Article:
http://www.seekic.com/circuit_diagram/Basic_Circuit/AX5206T1_and_AX5206T3_fan_single_chip_microcomputer_integrated_circuits.html
Print this Page | Comments | Reading(3)
Response in 12 hours
© 2008-2012 SeekIC.com Corp.All Rights Reserved.
Code: