Published:2009/7/10 5:18:00 Author:May | From:SeekIC

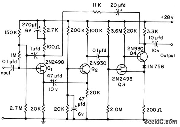
Circuit is uniquely suited to inerectsing bandwidth of low-noise amplifier by reducing miller effect and per mining independent adiustment of operating conditions for optimum noise performance,-Texas Instruments Inc., Solid-Stale Communications, Mc Graw-Hill, N.Y.1966, p 143.
Reprinted Url Of This Article:
http://www.seekic.com/circuit_diagram/Basic_Circuit/A_C_COUPLED_CASCODE.html
Print this Page | Comments | Reading(3)
Code: