© 2008-2012 SeekIC.com Corp.All Rights Reserved.
Published:2009/7/24 10:48:00 Author:Jessie | From:SeekIC

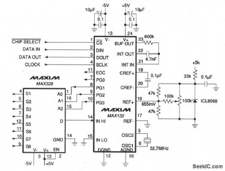
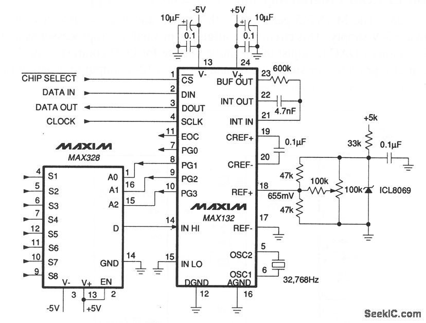
In this circuit, a 16-bit MAX132 A/D provides a serial interface for a MAX328 MUX, with both serial data input and output. The A/D is a 16-bit modified dual-slope converter. In addition to the main 16-bit output, the A/D also provides 3 guard-band bits with add resolution in the A/D noise region, but it can raise resolution if software averaging is used. The MAX328 MUX is addressed through four programmable bits PG0-PG3, which are sot through the MAX132 serial input. Maxim, 1992,Appications and Product Highlights, p. 8-4.
Reprinted Url Of This Article:
http://www.seekic.com/circuit_diagram/Basic_Circuit/A_MUX_with_16_bit_serial_interface.html
Print this Page | Comments | Reading(3)
Response in 12 hours
© 2008-2012 SeekIC.com Corp.All Rights Reserved.
Code: