Published:2011/5/6 3:26:00 Author:Ecco | Keyword: Video Games | From:SeekIC

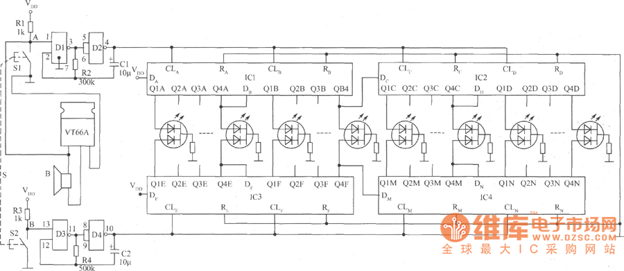
IC1 ~ IC4 are four pairs of CD4051 4-bit shift register; D1 ~ D4 use a CD4011 2 input NAND gate. Color tri-color LED is 2EF302.
Reprinted Url Of This Article:
http://www.seekic.com/circuit_diagram/Basic_Circuit/A_Video_Games_Circuit_Diagram.html
Print this Page | Comments | Reading(3)
Code: