Published:2011/7/10 2:12:00 Author:leo | Keyword: A window comparator circuit, integrated capacitor | From:SeekIC

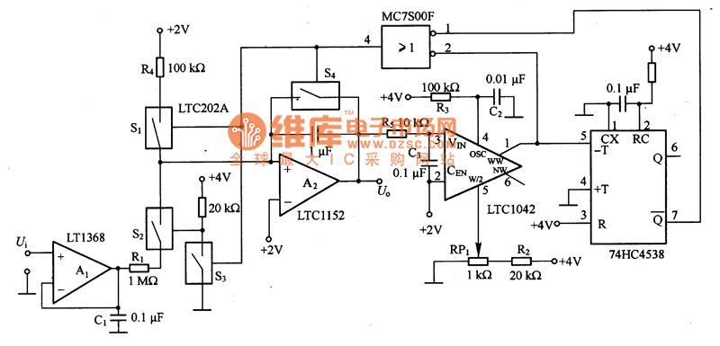
The picture shows a window comparator circuit made by LTCl042. In this circuit, LTC1042 is the window comparator which is used to test integrator and carry out the original reset of it according to the different needs. The first condition of integrator is to select the accuracy of the time periods it needs. After this, the second step is to select the components that can meet the needs of the accuracy, especially the operation amplifier and integrated capacitor. For example, to the operation amplifierμA741 with input differential current of 80 nA, its inaccuracy is 1% when the time period is 0.25 s, however, to LTC1152 with input differential current of 100 pA, its inaccuracy is 1% when the integrated time period is 200 s. In order to improve the accuracy, integrated capacitor uses polystyrene, polytetrafluoroethylene(PTFE) and so on.
Reprinted Url Of This Article:
http://www.seekic.com/circuit_diagram/Basic_Circuit/A_window_comparator_circuit_made_by_LTCl042.html
Print this Page | Comments | Reading(3)
Code: