Published:2011/7/23 8:12:00 Author:Michel | Keyword: Dynamic Scanning, Drive Circuit | From:SeekIC

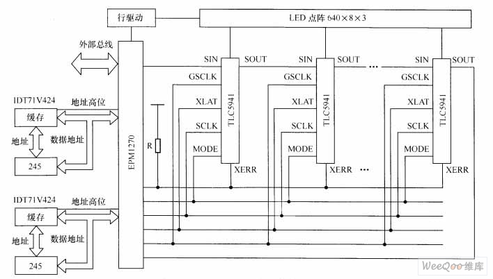
Here we introduce 640 x 480 full-color display system driving part design.The whole screen is composed of 4 subscreens and every subscreen manages 640 x 120 pixel range and they have single driving circuit.Because it is inner screen ,the driving design adopts dynamic scanning driving way.Drive circuit control is realized by programmable logic devices EPM1270 (Altera).
In order to improve the frame frequency, serial data uses 15 groups parallel output and every group refreshes 640 x 120 pixel range.The figure 1 shows the subscreen's single circuit.
Reprinted Url Of This Article:
http://www.seekic.com/circuit_diagram/Basic_Circuit/About_TLC5941_Dynamic_Scanning_Drive_Circuit.html
Print this Page | Comments | Reading(3)
Code: