Published:2013/3/29 4:34:00 Author:Ecco | Keyword: Active Antenna , Gain (Booster) | From:SeekIC

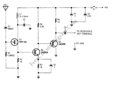
This is an active antenna circuit with gain. This circuit is used to bost the signal. This circuit is made from a few transistors and other components. This circuit can provide RF gain of about12 to 18 dB. This circuit uses Q2 as a voltage amplifier. the RF signal direct-coupled from Q1’s Source terminal to the base of Q2. The Q3 is configured as an emitter-fallower amplifier which match and isolate the gam stage from the receiver’s RF-inputcircuitry. Here is the schematic diagram of the circuit:
Reprinted Url Of This Article:
http://www.seekic.com/circuit_diagram/Basic_Circuit/Active_Antenna_With_Gain_Booster_circuit.html
Print this Page | Comments | Reading(3)
Code: