Published:2012/9/10 20:55:00 Author:Ecco | Keyword: Active crossover | From:SeekIC

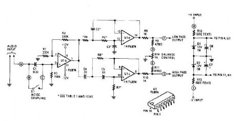
An audio source, like a mixer, preamp, EQ, or a recorder, is fed to the input of the Electronic Crossover Circuit. This signal is either AC or coupling, depending on the setting of switch 51, the non-inverting input of buffer amplifier Ul-a, a section of a quad BIFET, low amp TL074 noise made by Texas Instruments op. This stage has a gain of 2, and its output is distributed to both a low pass filter made by R4, R5, C2, C3, and Uld op-amp, and a high-pass filter made by R6, R7, C4 , C5, and op amp ULC. These are12 dB / octave Butterworth filters. The response of the Butterworth filter was chosen because it gives the best compromise between the damping and phase.
Source: discovercircuits
Reprinted Url Of This Article:
http://www.seekic.com/circuit_diagram/Basic_Circuit/Active_crossover_circuit_with_TL074.html
Print this Page | Comments | Reading(3)
Code: