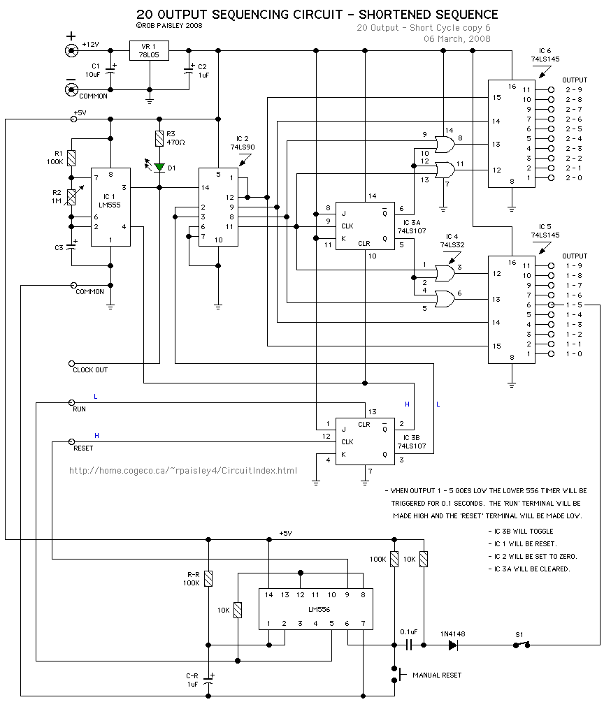
Published:2013/5/22 22:32:00 Author:muriel | Keyword: Additional 20 Step Circuits | From:SeekIC

Reprinted Url Of This Article:
http://www.seekic.com/circuit_diagram/Basic_Circuit/Additional_20_Step_Circuits.html
Print this Page | Comments | Reading(3)
Code: