Published:2011/6/14 6:21:00 Author:Lucas | Keyword: Agricultural , automatical water feeder | From:SeekIC

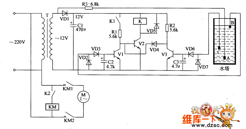
The agricultural automatical water feeder circuit is composed of power supply circuit, water level detection circuit and pump control circuit, and the circuit is shown as the chart 1. The power supply circuit is composed of the power transformer T, rectifier diode VD1 and filter capacitor C1 and other components. Water level detection circuit is composed of the main electrode A, high water level electrode B, low water level electrode C and control tubes V1, V3 and so on. Pump control circuit consists of the relay K, relay drive tube V2, AC contactor KM and so on. R1 ~ R3 select 1/4W carbon film resistors. C1 ~ C3 select the aluminum electrolytic capacitors with the voltage in 16V. VD1 ~ VD7 use 1 N4007 silicon rectifier diodes.
Reprinted Url Of This Article:
http://www.seekic.com/circuit_diagram/Basic_Circuit/Agricultural_automatical_water_feeder_circuit_diagarm_10.html
Print this Page | Comments | Reading(3)
Code: