Published:2011/6/16 5:51:00 Author:Lucas | Keyword: Agricultural , automatical , water feeder | From:SeekIC

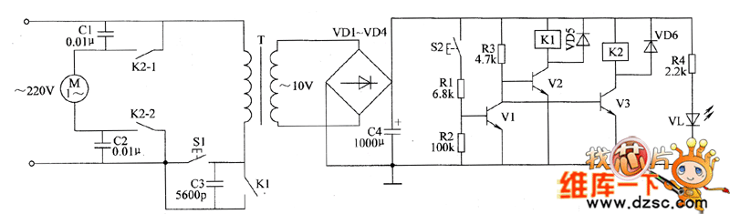
The agricultural automatical water feeder circuit is composed of the power supply circuit and control circuit, and the circuit is shown as the Figure 1. Power supply circuit is composed of the power control button S1, the normally open contacts of relay K1, power transformer T, rectifier diodes VD1 ~ VD4, capacitors C3, C4, resistor M and power indicator LED VL. The control circuit is composed of the triggered button S2, resistors R1 ~ R3, transistors V1 ~ V3, diodes VD5, VD6, capacitors C1, C2 and relays K1, K2. RI ~ R4 select l/4W metal film resistors or carbon film resistors.
Reprinted Url Of This Article:
http://www.seekic.com/circuit_diagram/Basic_Circuit/Agricultural_automatical_water_feeder_circuit_diagarm_3.html
Print this Page | Comments | Reading(3)
Code: