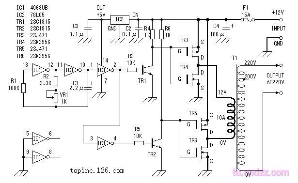
Published:2011/4/12 0:43:00 Author:Nicole | Keyword: amateur production, inverter | From:SeekIC

Reprinted Url Of This Article:
http://www.seekic.com/circuit_diagram/Basic_Circuit/Amateur_production_inverter_circuit_application_diagram.html
Print this Page | Comments | Reading(3)
Code: