© 2008-2012 SeekIC.com Corp.All Rights Reserved.
Published:2011/7/11 7:39:00 Author:Michel | Keyword: Analog Multiplier, Amplitude Modulation Circuit | From:SeekIC

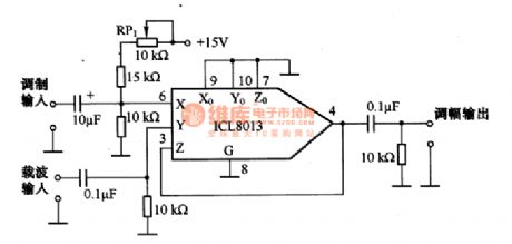
This picture is the amplitude modulation circuit of analog multiplier and it can get amplitude modulation wave through carrier signal and modulation signal multiplication.It can be widely used for general am circuit of low frequency range.ICL8013 is simulation time-multiplier monolithic integrated circuit with +10V input voltage range and it can be used asfour quadrant on time-multiplier and its output voltage,U。=Xy/l0.4 quadrant time-multiplier can be used to balance the modulation and here the bias is fixed which is used to set carrier level when there is no modulation signal.If + 5 V or-5 V bias is imposed ,it can handle + 5 V modulation signal, and then dynamic rangeis extended because handling t voltage is 0 ~ + lOV.The highest carrier signal frequency is 1OOkH and highest voltage of Y input end is 20V.2 OV signal multiplies 5V(X end input voltage) and then they divide 10 to get 10V wave attenuation.
Reprinted Url Of This Article:
http://www.seekic.com/circuit_diagram/Basic_Circuit/Amplitude_Modulation_Circuit_of_Analog_Multiplier.html
Print this Page | Comments | Reading(3)
Response in 12 hours
© 2008-2012 SeekIC.com Corp.All Rights Reserved.
Code: