Published:2009/6/15 21:16:00 Author:May | From:SeekIC

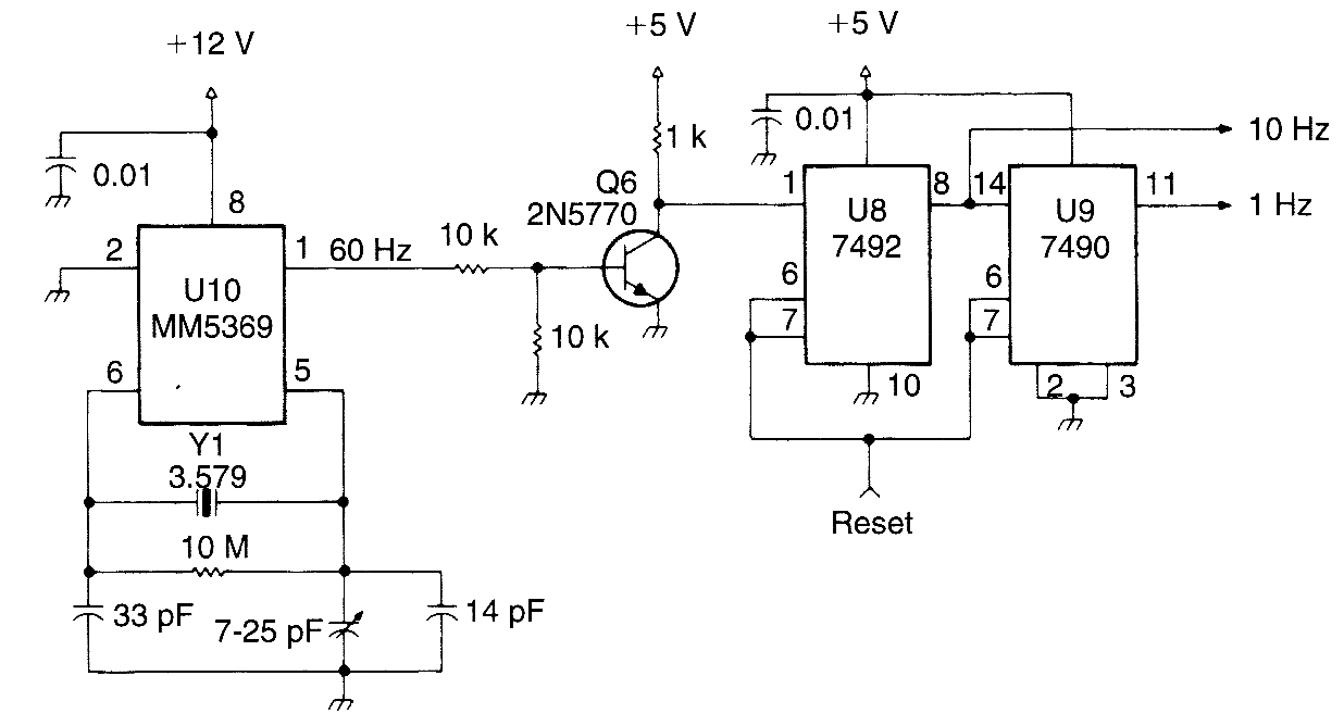
This system uses an MM5369 IC to derive a 60-Hz signal from a TV burst crystal (3579 MHz). V8 and V9 produce a 10-Hz and 1-Hz signal from this 60-Hz signal. Y1 can be any parallel-mode 3.579-MHz crystal.
Reprinted Url Of This Article:
http://www.seekic.com/circuit_diagram/Basic_Circuit/Analog_Circuit/10_TO_1_Hz_TIMEBASE.html
Print this Page | Comments | Reading(3)
Code: