Published:2009/6/19 4:49:00 Author:May | From:SeekIC

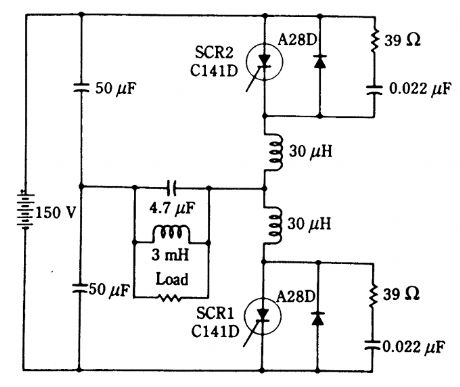
SCRs can produce considerable power at frequencies up to 30 kHz or more. This circuit can supply 1 kW at 10 kHz. The load is shown as an equivalent load, and practically this will be the primary of the transformer for isolation purposes. The power supply can be a 120-V bridge rectifier and filter combination.
Reprinted Url Of This Article:
http://www.seekic.com/circuit_diagram/Basic_Circuit/Analog_Circuit/1_kW_10_kHz_SINE_WAVE_INVERTER.html
Print this Page | Comments | Reading(3)
Code: