Published:2009/6/30 2:59:00 Author:May | From:SeekIC

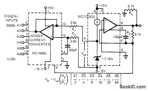
Uses Motorola MC1723G voltage regulator to provide reference voltage and opamp for MC1406L 6-bit D/A converter. Output cument can be up to 150 mA. Full-scale output is about 10 V, but can be boosted as high as 32V by increasing value of R2 and increasing +15 V supply proportionately to maximum of 35 V.—D. Aldridge and K. Huehne, 6-Bit D/A Converter Uses Inexpensive Components, EDN Magazine, Dec. 15, 1972, p 40-41.
Reprinted Url Of This Article:
http://www.seekic.com/circuit_diagram/Basic_Circuit/Analog_Circuit/6_BITS_TO_ANALOG.html
Print this Page | Comments | Reading(3)
Code: