Published:2009/6/24 3:10:00 Author:May | From:SeekIC

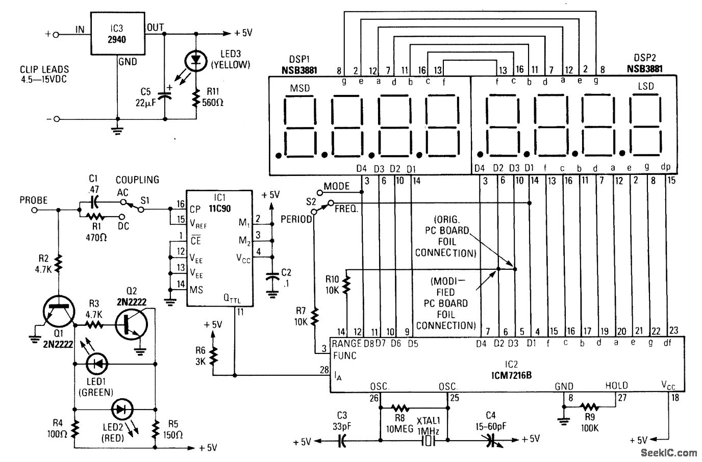
Small enough to mount in a probe, this frequency counter circuit is good to 100 MHz. It operates from +5 to +15 Vdc. An 11C90 prescaler drives a 10-MHz counter chip (ICM7216B). Note the dotted line connecting R10 with pins 5 and 6 of IC2; that variable connection controls the decimal point and total count appearing on DSP1 and DSP2. The relative intensities and dura-tions of ON/OFF time for LED1 (green) and LED2 (red) give a rough indication of logic level and duty cycle.
Reprinted Url Of This Article:
http://www.seekic.com/circuit_diagram/Basic_Circuit/Analog_Circuit/8_DIGIT_100_MHz_FREQUENCY_PROBE.html
Print this Page | Comments | Reading(3)
Code: