Published:2009/6/24 21:39:00 Author:May | From:SeekIC

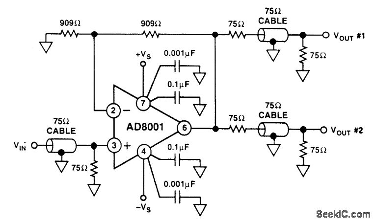
The AD8001 has been designed to offer outstanding performance as a video line driver. The im-portant specification of differential gain (0.01%) and differential phase (0.025°) meet the most ex-acting HDTV demands for driving one video load. The AD8001 also drives up to two back-terminated loads with equally impressive performance (0.01%, 0.07°). Another important consideration is isola-tion between loads in a multiple-load application. The AD8001 has more than 40 dB of isolation at 5 MHz when driving two 75-Ω terminated loads.
Reprinted Url Of This Article:
http://www.seekic.com/circuit_diagram/Basic_Circuit/Analog_Circuit/ANALOG_DEVICES.html
Print this Page | Comments | Reading(3)
Code: