Published:2009/6/24 5:21:00 Author:May | From:SeekIC

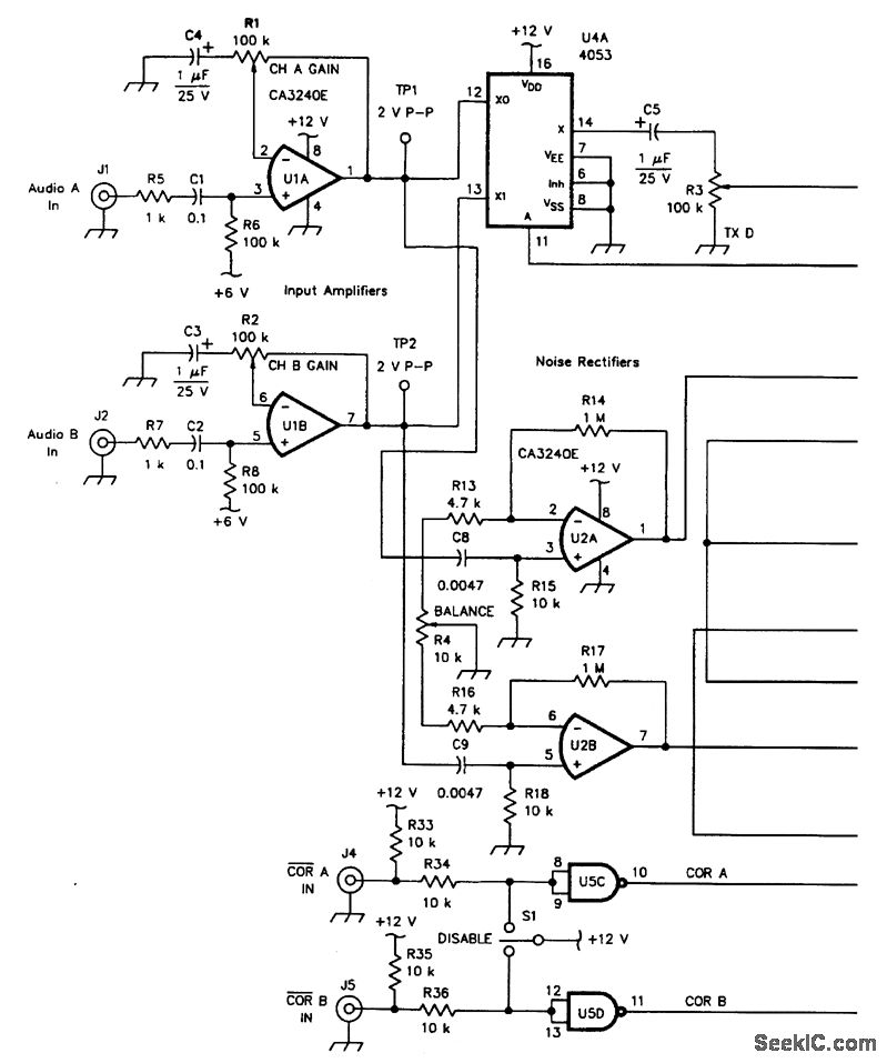
The purpose of this circuit is the selection of the output of two receivers, tuned to the same channel, that has the better signal to noise ratio. This circuit compares the two noise leads from the receivers and selects the one with the lower audio noise level.
Reprinted Url Of This Article:
http://www.seekic.com/circuit_diagram/Basic_Circuit/Analog_Circuit/AUDIO_NOISE_BASED_VOTING_CIRCUIT.html
Print this Page | Comments | Reading(3)
Code: