Published:2011/8/13 7:52:00 Author:Robert | Keyword: Base Electrode, Driving | From:SeekIC

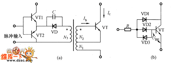
The base electrode driving circuit example is shown in the picture. When the base electrode current is big, to prevent the increasing of the storage time, it can use the Bekaa clamp circuit shown in picture (b). In the circuit, the base electrode current increases, when the transistor VT's saturation voltage is lower than UBE, the diode VD1 would be conducted. Thus it could prevent the increasing of the base electrode current. It is a circuit to prevent overexcitation.
The picture shows the base electrode driving circuit practical example.
(a)The drving circuit which the base electrode current is increasing as the ratio to the collector current.
(b)Bekaa clamp circuit.
Reprinted Url Of This Article:
http://www.seekic.com/circuit_diagram/Basic_Circuit/Analog_Circuit/Base_Electrode_Driving_Circuit.html
Print this Page | Comments | Reading(3)
Code: