Published:2009/6/23 4:54:00 Author:May | From:SeekIC

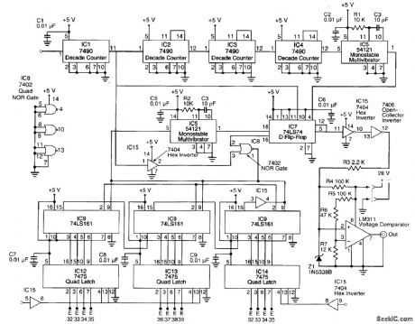
This circuit incorporates low-power Schottky transistor/tr ansistor-lo gic (TTL) devices in critical high-speed parts. The 5-MHz clock signal is converted to a 1-MHz signal by a 7490 decade counter configured to divide by 5. The 1-MHz signal is sent, via a clock synchronizer, to a three-stage binary divider that consists of three cascaded 74LS161 binary dividers. The synchronizer consists of a 74LS74 D flip-flop, a 7404 inverter gate, and a 7402 NOR gate. The dividers are programmed from the STD bus by means of three 7475 quad latches; this makes it possible to program the frequency divi-sion from 1 to 4096 (12 bits).The 1-MHz signal is also divided by 1000 by use of three cascaded 7490 decade counters, each configured to divide by 10; this provides a 1-kHz signal, which is sent to a 54121 monostable multivi-brator configured to provide a 0.1-ps pulse, bombarded with an ion beam source in preparation for the materials about to be deposited. While the surface is bombarded with an ion beam, an electron beam source is activated so that a layer of fused silica is vapor-deposited to a total desired thickness value (typically, 1 micron or t0,000 A). The layer offused silica serves as a surface stabilization layer for the next step.A metal mask with an aperture in the specified pattern of the sensor film is placed on the surface at the specified sensor location. The surface area exposed through the mask is cleaned by ion-beam bombardment for a predetermined time. Then as the bombardment continues, a metal (typically, nickel, platinum, and/or palladium) is vapor-deposited through the mask from the electron-beam source to form the sensor film. Deposition is continued until the thickness of the film reaches the value specified in the particular sensor design. A representative value for a nickel sensor film is 2500 A.Next, a pattern for thin film leads is defined by taping directly on the surface of the model with Kapton (or equivalent) polyimide tape. The thin film leads are fabricated by a combination of ion-beam bombardment and electron-beam vapor deposition like that used to deposit the sensor film.The metal vapor deposited in this step is typically copper, gold, or aluminum. A typical thickness for copper leads on the nickel sensor film is about 10,000 A.
Reprinted Url Of This Article:
http://www.seekic.com/circuit_diagram/Basic_Circuit/Analog_Circuit/DIGITAL_PULSE_WIDTH_MODULATION_CIRCUIT.html
Print this Page | Comments | Reading(3)
Code: