Published:2009/6/26 3:04:00 Author:May | From:SeekIC

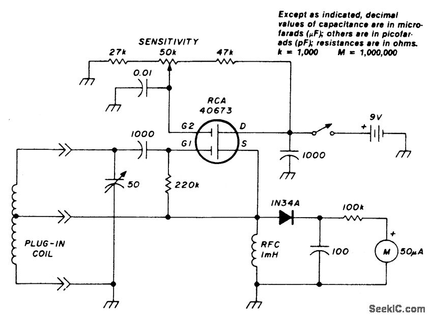
Circuit NotesGate 2 is used to adjust the oscillation level.
Reprinted Url Of This Article:
http://www.seekic.com/circuit_diagram/Basic_Circuit/Analog_Circuit/DIP_MEITR_USING.html
Print this Page | Comments | Reading(3)
Code: