Published:2009/6/29 1:42:00 Author:May | From:SeekIC

Reprinted Url Of This Article:
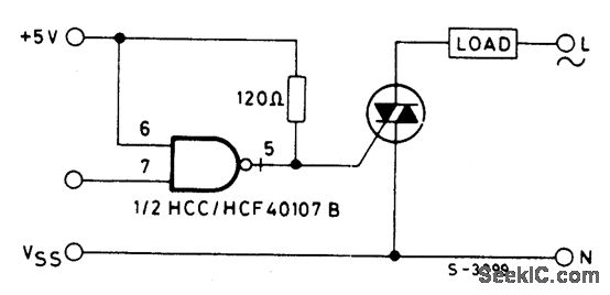
http://www.seekic.com/circuit_diagram/Basic_Circuit/Analog_Circuit/DRIECT_DC_DRIVE_INTERFACE_OF_A_TRAC.html
Print this Page | Comments | Reading(3)
Code: