Published:2009/6/18 23:08:00 Author:May | From:SeekIC





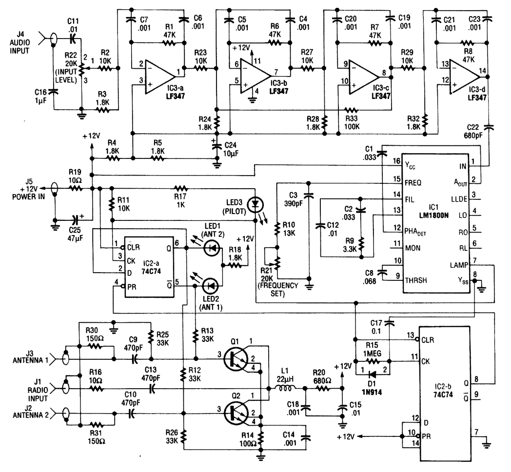
A second antenna, installed on your vehicle as far away from the original equipment antenna as practical, provides the second FM signal. The figure is a simplified block diagram of the diversity system.The cables from both antennas are connected to the electronic antenna switch. The 19-kHz pi-lot signal from the receiver's audio output is passed through a high-gain bandpass active filter, which attenuates audio programming that is much stronger than the pilot signal. After amplification, the pi-lot subcarrier becomes the reference frequency for a phase-locked loop (PLL) circuit. The output of the PLL locks to the 19-kHz pilot signal and functions as a subcarrier detector. When the reference frequency becomes noisy, the PLL will lose lock and trigger the flip-flop, whose output switches the state of the electronic antenna switch,This action switches the alternate antenna into the system while disabling the original antenna.
If that second antenna is positioned for better reception,the received signal will clear,and the PLL will again lock to the subacrrier and hold the switch in that state until the pilot signal drops out again,If the second antenna does not restore the pilot signal reception after a0.1-second delay,the primary antenna is switched back on.When the radio is receiving AM, the absence of the 19- kHz subcarrier will also reactivate the primary antenna that is tuned to the receiver tor the best AM reception.
Reprinted Url Of This Article:
http://www.seekic.com/circuit_diagram/Basic_Circuit/Analog_Circuit/FM_AUTO_RADIO_DIVERSITY_ANTENNA.html
Print this Page | Comments | Reading(3)
Code: