Published:2009/6/24 3:59:00 Author:May | From:SeekIC

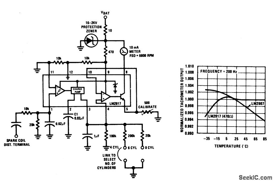
This tachometer can be set up for any number of cylinders by linking the appropriate timing resistor as illustrated. A 500 ohm trim resistor can be used to set up final calibration.A protection circuit composed of a 10 ohm resistor and a zener diode is also shown as a safety precaution against the transients which are to be found in automobiles.
Reprinted Url Of This Article:
http://www.seekic.com/circuit_diagram/Basic_Circuit/Analog_Circuit/GASOLINE_ENGINE_TACHOMETER.html
Print this Page | Comments | Reading(3)
Code: