Published:2009/6/18 4:42:00 Author:May | From:SeekIC

Reprinted Url Of This Article:
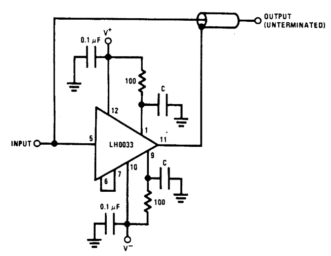
http://www.seekic.com/circuit_diagram/Basic_Circuit/Analog_Circuit/HIGH_SPEED_SHIELD_LINE_DRIVER.html
Print this Page | Comments | Reading(3)
Code: