Published:2009/6/24 23:42:00 Author:Jessie | From:SeekIC

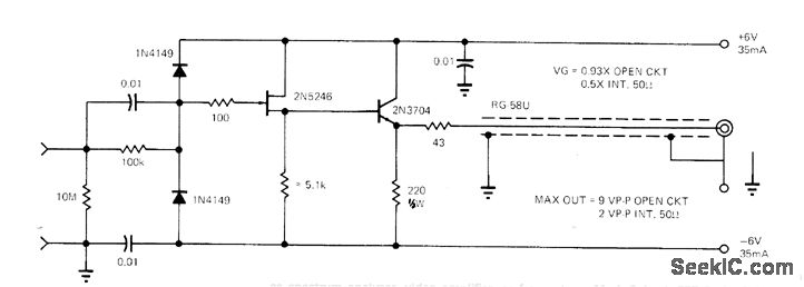
Used to match 10-megohrninputimpedanceto 50-ohm transmission Iine or 50-ohm input of instruments such as spectrum analyzer, video amplifier, or fre-quency counter. Voltage gain is exactly 0.5. Fre-quency response is from DC to 20 MHz and can be boosted by using higher-frequency transis-tor.-M. J. Salvati, FET Probe Drives 50-Ohm Load, EDN Magazine, March 5, 1973, p 87 and 89.
Reprinted Url Of This Article:
http://www.seekic.com/circuit_diagram/Basic_Circuit/Analog_Circuit/IMPEDANCE_CONVERTER.html
Print this Page | Comments | Reading(3)
Code: