Published:2009/7/16 3:59:00 Author:Jessie | From:SeekIC

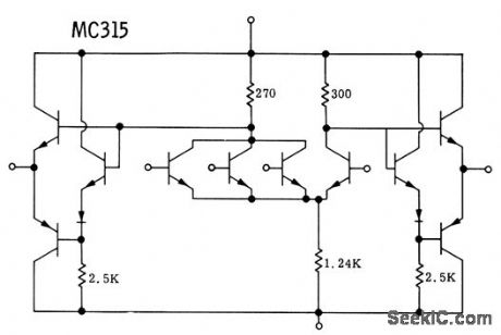
Designed as line or capacitance driver, but is same as basic gate except for output stages. Pnp transistors are hybrid, while other parts are on monolithic chip.-S. T. Robertson, Integrated Circuit Line Driver, Motorola Application Note AN-187, Aug. 1965.
Reprinted Url Of This Article:
http://www.seekic.com/circuit_diagram/Basic_Circuit/Analog_Circuit/LINE_DRIVER.html
Print this Page | Comments | Reading(3)
Code: