Published:2009/7/24 0:29:00 Author:Jessie | From:SeekIC

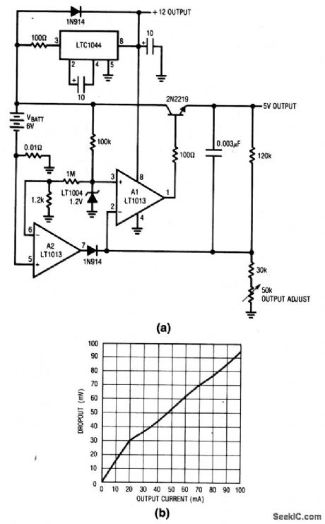
This circuit provides both a +12-V and a +5-V output from a single 6-V battery, with very low dropout (Fig.8-3B). Quiescent current is 760 μA, and the100-mA output is short-circuit protected (see chapter 4 for testing).
Reprinted Url Of This Article:
http://www.seekic.com/circuit_diagram/Basic_Circuit/Analog_Circuit/LOW_DROPOUT_REGULATOR.html
Print this Page | Comments | Reading(3)
Code: