Published:2009/6/15 20:55:00 Author:May | From:SeekIC

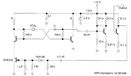
Q1, Q2, and the associated circuitry form a modified astable multivibrator in which the loop gain is automatically adjusted to the threshold of oscillation by means of field effect transistor Q3. Q4 lin-early amplifies the signal present at the collector of Q2 and isolates the oscillator section of the cir-cuit from the output. This stage features wideband operation and delivers a clean 2.5-V amplitude sine wave into a resistive load greater than or equal to 20 kΩ. The stage comprising Q5 has a voltage gain of 1 and its sole purpose is to isolate the nonlinear effects of rectifier Dl from the output.
Reprinted Url Of This Article:
http://www.seekic.com/circuit_diagram/Basic_Circuit/Analog_Circuit/LOW_FREQUENCY_CRYSTAL_OSCILLATOR.html
Print this Page | Comments | Reading(3)
Code: