Published:2009/6/23 5:01:00 Author:May | From:SeekIC

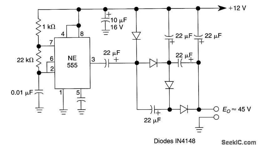
This dc voltage-quadrupler circuit based on the 555 can produce a dc output voltage equal to ap-proximately 4×the dc supply voltage.
Reprinted Url Of This Article:
http://www.seekic.com/circuit_diagram/Basic_Circuit/Analog_Circuit/LOW_POWER_dc_QUADRUPLER.html
Print this Page | Comments | Reading(3)
Code: