Published:2009/6/18 23:17:00 Author:May | From:SeekIC

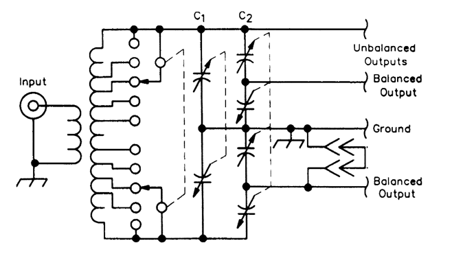
C1 is a split stator capacitor and C2 is a dual differentiaJ capacitor. The top unbalanced output connection is used for high-impedance unbalanced loads, and the other is used for low-impedance unbalanced loads. In the latter case, the unused balanced load connection is grounded.
Reprinted Url Of This Article:
http://www.seekic.com/circuit_diagram/Basic_Circuit/Analog_Circuit/MATCHBOX_ANTENNA_TUNER.html
Print this Page | Comments | Reading(3)
Code: