Published:2009/6/15 21:12:00 Author:May | From:SeekIC

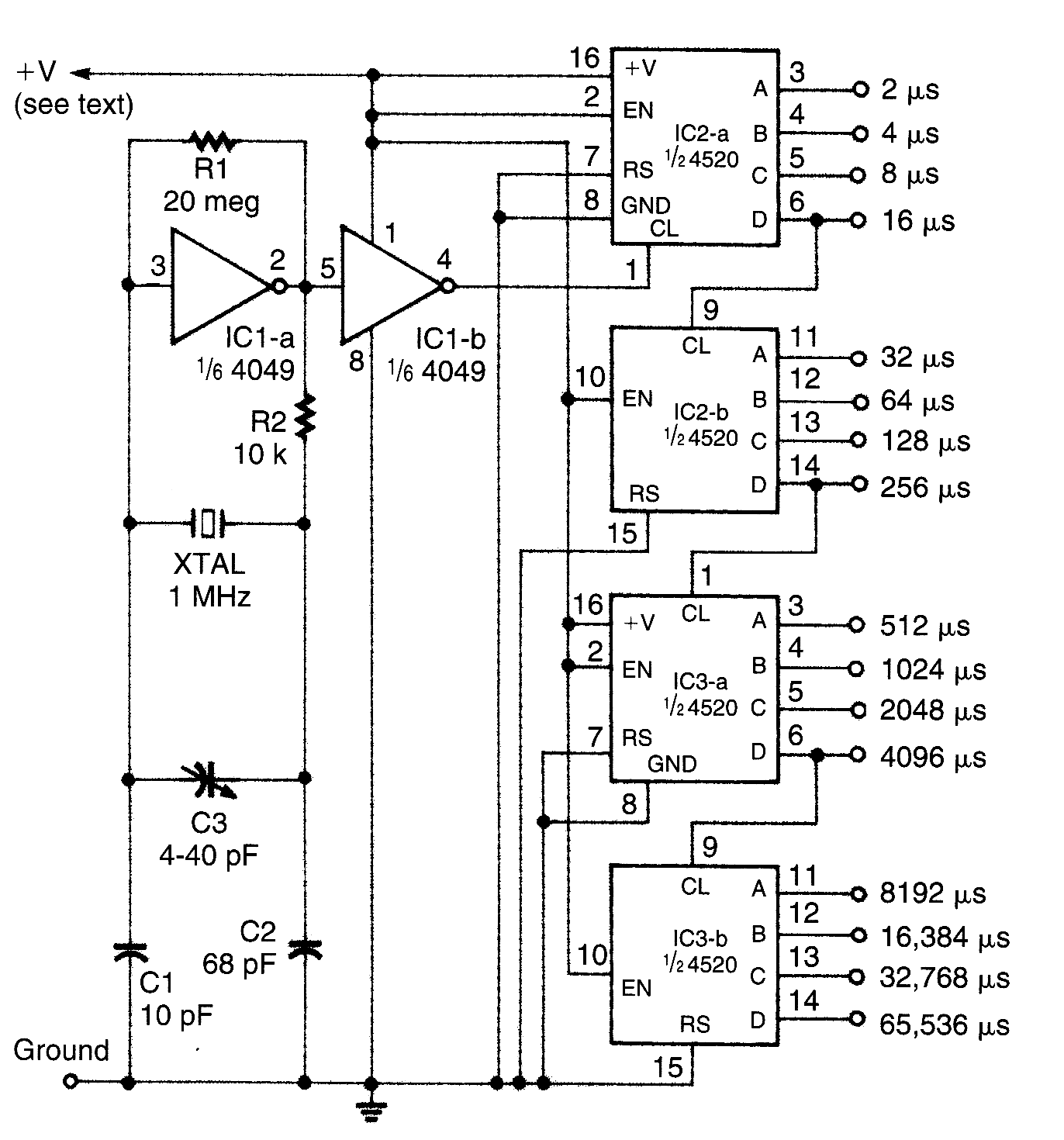
A 1-MHz oscillator drives a binary counter to produce pulse widths from 2 to 65,536 ms. V+ is any CMOS suitable level (5 to 15 V, etc.).
Reprinted Url Of This Article:
http://www.seekic.com/circuit_diagram/Basic_Circuit/Analog_Circuit/MULTI_OUTPUT_TIMEBASE.html
Print this Page | Comments | Reading(3)
Code: