Published:2009/6/26 2:31:00 Author:Jessie | From:SeekIC



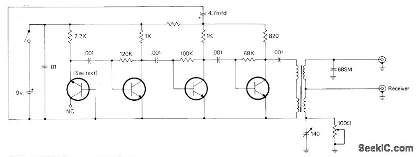
Used with communication receiver to measure impedance at antenna terminals or at end of transmission line, as required for adjusting antenna matching and loading devices for desired impedance at specific frequency. Consists of diode.connected transistor broadband,noise generator, 3-stage noise amplifier, and toroid transformer bridge.
All transistors are 2N5129 or equivalent 2N5137 or 2N5220. Try different transistors until highest noise output is obtained. Toroid core for trans.former is 3/8-inch Indiana General CF102. Quadrifilar winding has 4 1/2 turns of four No.28 enamel wires twisted together, wound on core and connected as on diagram. Noise bridge can also serve as wideband noise source for signal injection during troubleshooting in AF or RF circults, and as noise source for aligning RF cir-cuits,-J.J. Schultz, An Improved Antenna Noise Bridge, CQ, Sept, 1976, p 27-29 and 75.
Reprinted Url Of This Article:
http://www.seekic.com/circuit_diagram/Basic_Circuit/Analog_Circuit/NOISE_BRIDGE.html
Print this Page | Comments | Reading(3)
Code: