Published:2009/6/28 22:51:00 Author:May | From:SeekIC

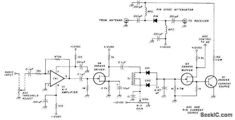
Designed for insertion between antenna and input of any HF receiver to improve adjacent-channel selectivity by providing attenuation ahead of mixer for entire tuning range. Hewlett-Packard 5082-3379 PIN diode has very low impedance when conducting and very high impedance when biascurrent is small. NPN transistor Q1 provides over 100 mA as current source to PIN diode. Q1 is driven by AGO circuit through JFET buffer Q3.AGC voltage is derived from top of audio gain control in receiver for rectification, with 200 mVRMS at input of opamp U1 giving maximum attenuation. Center tap of T1 (any small AF transformer) can be grounded. CR1 and CR2 are germanium diodes. Article also gives circuit of IF system using cascaded 9-MHz crystal filters to improve selectivity further and provide over all AGC control range of 70 dB.-M. Goldstein, Improved Receiver Selectivity and Gain Control, Ham Radio, Nov. 1977, p 71-73.
Reprinted Url Of This Article:
http://www.seekic.com/circuit_diagram/Basic_Circuit/Analog_Circuit/PIN_DIGDE_ATTENUATOR.html
Print this Page | Comments | Reading(3)
Code: