Published:2009/7/14 3:17:00 Author:May | From:SeekIC

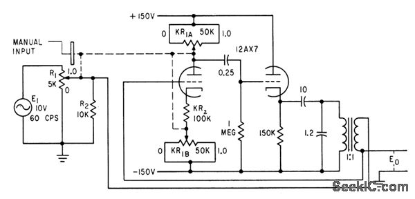
Compensation technique eliminates need for precise high-gain isolation amplifiers when linear potentiometers are used as precision voltage dividers in analog computing circuits. Error is reduced by factor of 100.-M. Kanner, How to Reduce Errors in Loaded Potentiometers, Electronics, 32:34, p 34-35.
Reprinted Url Of This Article:
http://www.seekic.com/circuit_diagram/Basic_Circuit/Analog_Circuit/POTENTIOMETER_ERROR_COMPUTER.html
Print this Page | Comments | Reading(3)
Code: