Published:2009/6/25 23:27:00 Author:Jessie | From:SeekIC

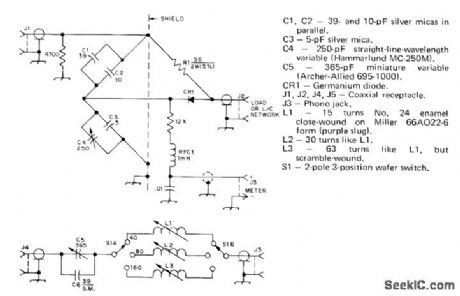
Simplifies adjustment of vertical antenna for 40, 80, and 160 meters.S1 in add-on LC unit switches coil for desited band. Values of C1-C4 and standard resistor R1 give range of 10 to 150 ohms for measurement of radiation resistance. Meter can be from 50 to 200μA full scale if 500 mW of power is available as signal source. For shorter-wavelength bands, change resistance in parallel with J1 to 5600 ohms and omit C6. L1 for 10 meters should then have 3 1/2 tums No. 18 spaced to occupy 1/4 inch on Miller4200 coilform. L2(15 meters) is Gtums No. 16 enamel closewound on similar form. L3 (20 meters) is 11 turns No.14 enamel on Miller 66A022-6 form.-J. Sevick, Simple RF Bridges, OST, April 1975, p 11-16 and 41.
Reprinted Url Of This Article:
http://www.seekic.com/circuit_diagram/Basic_Circuit/Analog_Circuit/RF_BRIDGE_FOR_COAX.html
Print this Page | Comments | Reading(3)
Code: