Published:2009/6/17 20:41:00 Author:May | From:SeekIC

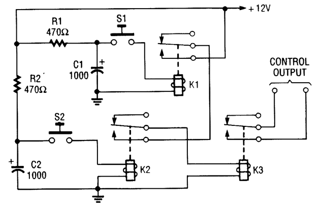
Because of the finite hold-on time of delay circuits R1/C1 and R2/C2, both S1 and S2 must be pressed at the same time to power up the load.
Reprinted Url Of This Article:
http://www.seekic.com/circuit_diagram/Basic_Circuit/Analog_Circuit/SAFETU_CIRCUIT.html
Print this Page | Comments | Reading(3)
Code: