Published:2009/7/14 21:11:00 Author:May | From:SeekIC

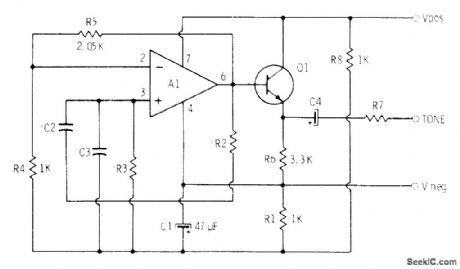
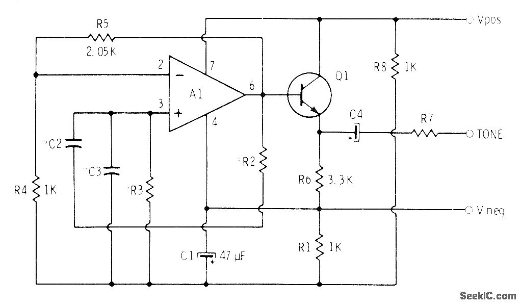
Wien-bridge oscillator using 741 opamp drives 2N2924 or equivalent NPN transistor to generate stable audio tone for signaling over telephone lines Tuning capacitor(C2 and C3 are equal)and resistor(R2 and R3 are equal) values range from 0.1μF and 15.9K for 100 Hz to 0.005 μF and 6.3K for 5000Hz For other frequencies use f =0.159/R2C2 With 12-V supply tone output is about 7 V P-P Select R7 to match impedance of driven circuit.-C. D Rakes. Integrated Circuit Projects. Howard W Sams . Indianapolis IN 1975.p 55-60.
Reprinted Url Of This Article:
http://www.seekic.com/circuit_diagram/Basic_Circuit/Analog_Circuit/SINGLE_TONE_SIGNALING.html
Print this Page | Comments | Reading(3)
Code: