Published:2009/6/19 4:41:00 Author:May | From:SeekIC

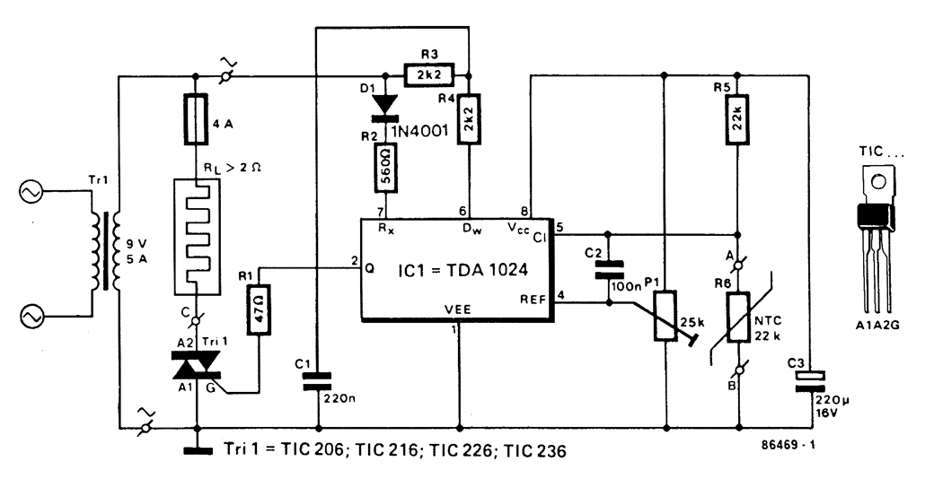
A TDA1024 electronic thermostat senses soil temperature via thermistor R6. The circuit uses zero-crossing switching of the heater. The heater is made of elastic-coated steel wire. P1 is used to set the temperature. The heater should have 2 Ω or more resistance and operate from the 9-V transformer. About 40W of heat is available.
Reprinted Url Of This Article:
http://www.seekic.com/circuit_diagram/Basic_Circuit/Analog_Circuit/SOIL_HEATER_FOR_PLANTS.html
Print this Page | Comments | Reading(3)
Code: