Published:2009/6/18 22:16:00 Author:May | From:SeekIC

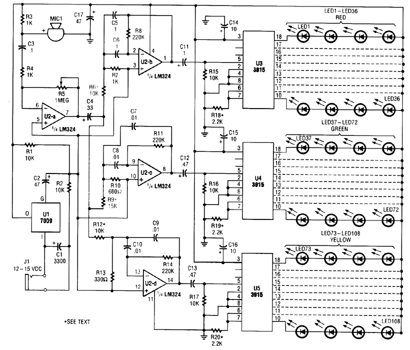
The microphone input, MIC1, is fed through C3 and R4 to inverting amplifier U2-a; the gain of U2-a is controlled by potentiometer R5. The output of U2-a is fed through C4 to the remaining op-arnps (U2-b, U2-c, U2-d), which are all configured as band-pass filters. Each filter is tuned to pass a different range of frequencies by its resistor/capacitor combination. With the values shown, U2-b, U2-c, and U2-d have center frequencies of roughly 100, 1000 and 1500 Hz, respectively.Resistors R6, R9, R12 control the bandwidth and gain of their respective filter circuits, and can range in value from 10 to 15 kΩ. The output of U2-b is capacitively coupled via C11 to the input of U3, with R15 serving as the load resistor for U2-b. That resistor also keeps U3's outputs from float-ing in the absence of a signal. Connected as shown, U3 uses its own internal voltage reference to make a full-scale display of 1.2 V.Each ofthe nlne outputs of U3(output 1 IS not used) sinks four, series-connected (red) LEDs. Op amps U2-c and U2-d qro similarly connected to U4 and U5,respectively, driving green and yellow LED strings,Resistors R18,R19,and R20 control the brightness of their corresponding LED arrays,and they must be adjusted accordingly;different colors of LEDs usually vary in brightness.A lowervalue of resistance will make the LEDs glow brighter.Power for the circuit is supplied by a 500 mA,12-15-Vdc wall-pack transformer,via J1 The out-put ofthe transformer is filtered by 01 arid is regulated by U1;regulation is necessary to keep power-line ripple from affecting the display. The Supply pins of U2 through TTKLJt are bypassed by capacitors014 through C17 to further ensure stability. An on/off switch was deemed unnecessary because thepower Supply should be unplugged when the unit is not in use.
Reprinted Url Of This Article:
http://www.seekic.com/circuit_diagram/Basic_Circuit/Analog_Circuit/SONIC_KALEIDOSCOPE.html
Print this Page | Comments | Reading(3)
Code: