Published:2009/6/18 4:42:00 Author:May | From:SeekIC



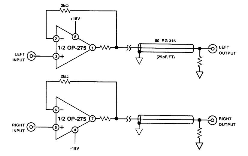
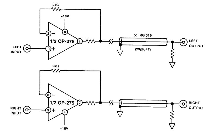
One Analog Devices OP-275 can be used for stereo line driver applications.
Reprinted Url Of This Article:
http://www.seekic.com/circuit_diagram/Basic_Circuit/Analog_Circuit/STEREO_LINE_DRIVER.html
Print this Page | Comments | Reading(3)
Code: