Published:2011/8/23 23:41:00 Author:Robert | Keyword: Single, Phase, Full, Wave, Rectifier | From:SeekIC

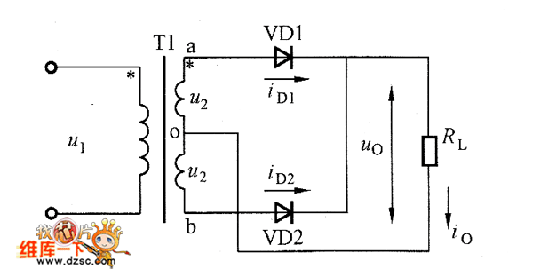
The picture shows the full-wave rectifier circuit and working waveform. From the circuit shown in the picture, we know that this circuit connects two rectifier diode to the transformer T1's secondary winding middle tap to make them work alternately. The * signal means the transformer's corresponding terminals. The transformer's two secondary voltage has the equal value.
Reprinted Url Of This Article:
http://www.seekic.com/circuit_diagram/Basic_Circuit/Analog_Circuit/Single_Phase_Full_Wave_Rectifier_Circuit.html
Print this Page | Comments | Reading(3)
Code: