Published:2009/6/24 3:39:00 Author:Jessie | From:SeekIC

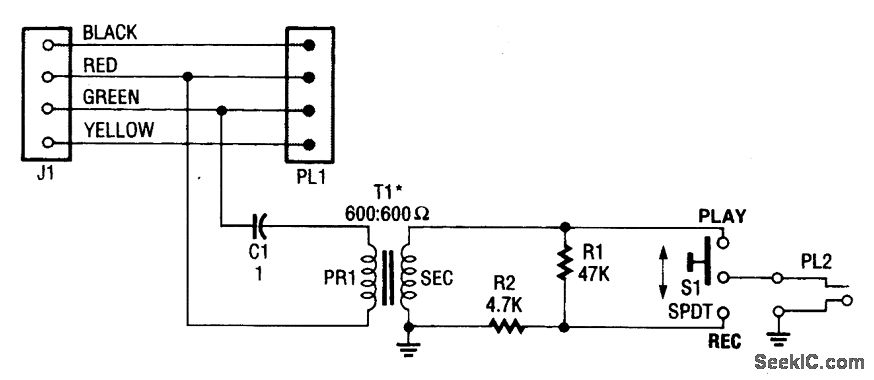
The telephone audio interface-essentially, a simple isolation/couple circuit-isolates the phone line from any connected audio circuit without presenting any danger to the phone line, the equip-rnent, or the user.
Reprinted Url Of This Article:
http://www.seekic.com/circuit_diagram/Basic_Circuit/Analog_Circuit/TELEPHONE_AUDIO_INTERFACE.html
Print this Page | Comments | Reading(3)
Code: