Published:2009/7/8 4:22:00 Author:May | From:SeekIC

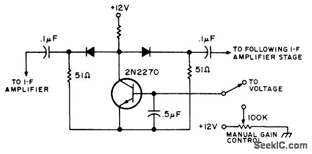
When inserted between stages of IF amplifier, circuit acts as three.section attenuator with dynamic range greater than 60 dB. Can be controlled by positive voltage from AVC system of receiver or manually with 100K pot. Use PIN diodes.-Super Circuits, 73 Magazine, Aug. 1975, p 140.
Reprinted Url Of This Article:
http://www.seekic.com/circuit_diagram/Basic_Circuit/Analog_Circuit/T_ATTENUATOR_.html
Print this Page | Comments | Reading(3)
Code: