Published:2009/6/19 4:18:00 Author:May | From:SeekIC


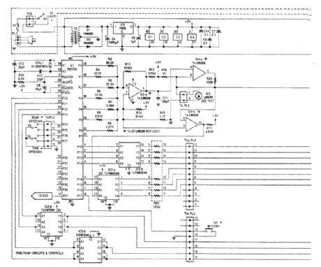
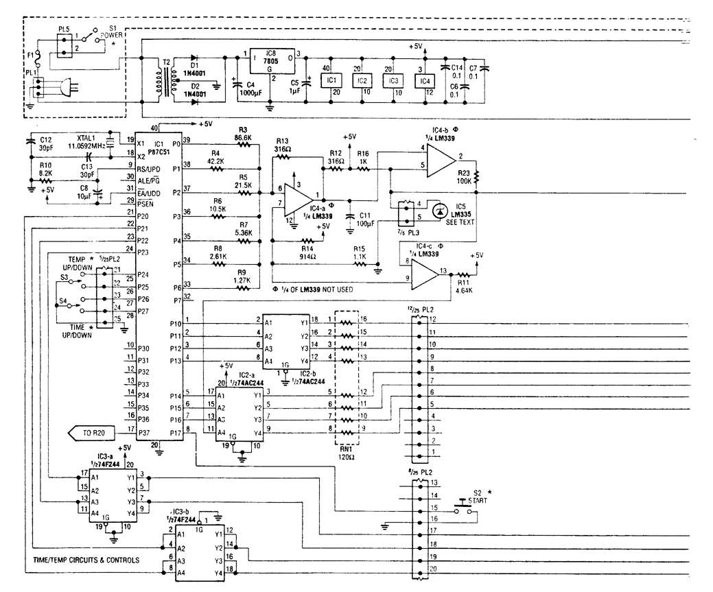
An ultrasonic cleaner is useful to clean certain items. This circuit uses a microcontroller to con-trol timing and give a digital readout, but only the basic oscillator can be used, if desired. RES1, RES2 are piezoelectric transducers driven by power oscillator Q1. Q1 is powered by a bridge rectifier-capacitor input filter that operates directly off the ac line. The frequency is 40 to 60 kHz.
Reprinted Url Of This Article:
http://www.seekic.com/circuit_diagram/Basic_Circuit/Analog_Circuit/ULTRASONIC_GLEANER.html
Print this Page | Comments | Reading(3)
Code: